



| 产品型号 | D-5307 |
| 产品描述 |
嵌入式加固轨迹球鼠标,上嵌入式安装方式,轨迹球直径60mm,300转/min可进行精准快速光标定位,内置电路采用工业级标准沉金PCB板,广泛适用在:车载、舰载、雷达、加固型设备、特种模拟训练等领域。符合低辐射,强屏蔽,抗干扰性强。环境适应性:高低工作温度,湿热,振动,具有“可靠性、环境适应性、稳定性、兼容性”满足100%纯国产化。 |
|
物理参数 |
|
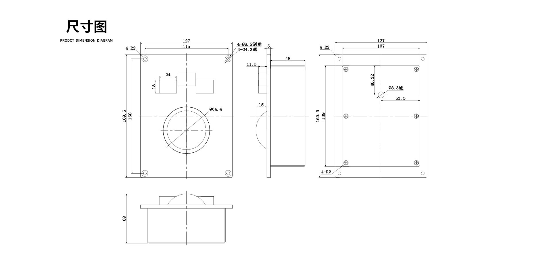
| 面板尺寸 | 169.5X127mm |
| 按键数量 | 3个 |
| 按键尺寸 | 24*18mm |
| 按键行程 | ≈3mm |
| 按键压力 |
≈280-320克 |
| 按键寿命 |
<100W/次 |
| 产品材质 | 铝材 |
| PCB板工艺 | 沉金 |
| 接触方式 | 机械按键 |
| 产品净重 | 0.8KG |
|
电气参数 |
|
| 通迅接口 | USB/PS2可选 |
| 工作电压 |
5V士0.25 |
| 工作电流 |
≈30mA |
| 预期使用寿命 | 5年 |
| 系统兼容 |
Windows、Linux、Android、Vxworks、国产麒麟等系统 |
|
环境适应性 |
|
| 防护等级 | IP54 |
| 工作温度 |
-40℃~70℃ |
| 储存温度 |
-45℃~80℃ |
| 盐雾测试 |
96小时,IEC 60512-6 |
| 平均故障时间 |
>20000H |
| 平均修复时间 |
<30分钟 |
| 40°C潮湿测试 |
21天,IEC 60512-6 |
| 85°C干燥测试 |
10 天,IEC 60512-6 |
| 高压测试 |
60-106Kpa |
| ESD等级 |
接触放电6KV,空气放电8KV |
| 相关检测 |
CE、RoHS 、FCC |
| 适用环境 |
车载、舰载、雷达、加固型设备、特种模拟训练等 |
