



| 产品型号 | D-8339 |
| 产品描述 |
IP54加固轨迹球鼠标,分辨率为800CPI,可快速移动光标精准操作,整体采用CNC一体成型结构性强、表面采用喷砂阳极氧化处理。可防腐蚀 抗氧化等耐用,整体采用人体工程学设计,操作舒适,不易疲劳,操作时噪音小,中键为滚动功能,配用34mm光电球,符合低辐射,强屏蔽,抗干扰性强。环境适应性:高低工作温度,湿热,振动,具有“可靠性、环境适应性、稳定性、兼容性”。 |
|
物理参数 |
|
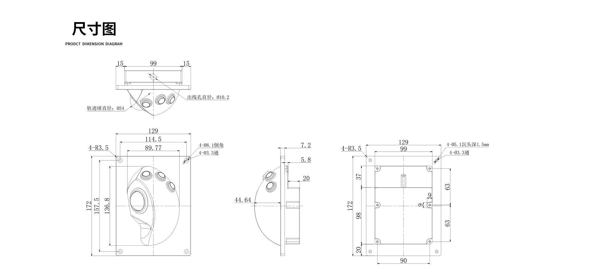
| 面板尺寸 | 129X172mm |
| 按键数量 | 3个 |
| 按键尺寸 | 14*14mm |
| 按键行程 | ≈3mm |
| 按键压力 |
≈220-260克 |
| 按键寿命 |
<100W/次 |
| 产品材质 | 铝材 |
| PCB板工艺 | - |
| 接触方式 | 开关按钮 |
| 产品净重 | 0.6KG |
|
电气参数 |
|
| 通迅接口 | USB/PS2可选 |
| 工作电压 |
5V士0.25 |
| 工作电流 |
≈30mA |
| 预期使用寿命 | 5年 |
| 系统兼容 |
Windows、Linux、Android、Vxworks、国产麒麟等系统 |
|
环境适应性 |
|
| 防护等级 | IP54 |
| 工作温度 |
-20℃~50℃ |
| 储存温度 |
-30℃~60℃ |
| 盐雾测试 |
96小时,IEC 60512-6 |
| 平均故障时间 |
>20000H |
| 平均修复时间 |
<30分钟 |
| 40°C潮湿测试 |
21天,IEC 60512-6 |
| 85°C干燥测试 |
10 天,IEC 60512-6 |
| 高压测试 |
60-106Kpa |
| ESD等级 |
接触放电6KV,空气放电8KV |
| 相关检测 |
CE、RoHS 、FCC |
| 适用环境 |
船舶、舰艇、水下设备、加固设备、模拟训练设备等 |
